Department of Chemical Engineering, Universitas Diponegoro, Jl. Prof. Sudarto, SH, Tembalang, Semarang, 50275, Indonesia
BibTex Citation Data :
@article{JCERP20287, author = {Almas Fauziyah and Ida Ratnawati and M. Regina Lintang Shafura and Widia Ayu Anggraini}, title = {Enhancing Vinyl Chloride Product Yield By Optimizing Operating Conditions In Plug Flow Reactor With Al2O3 Catalyst}, journal = {Journal of Chemical Engineering Research Progress}, volume = {1}, number = {2}, year = {2024}, keywords = {Vinyl chloride; chlorination; energy efficiency; mass efficiency; Al2O3 catalyst}, abstract = { Vinyl chloride (VC) is a colorless stable gas produced through a complex process with many interactions in reaction and separation. This study aims to improve mass and energy efficiency in vinyl chloride production through process simulation with HYSYS V.11. The process was modified using a plugged flow reactor (PFR) with an Al2O3 catalyst and a simplified distillation column. The method involves recycling the liquid product from the distillation column back to the mixing unit as a feed. The results show that energy efficiency improves with the reduction of the reactor's heat flow requirement from 1.009×10 7 kJ/h, and to 4.689×10 6 kJ/h, and distillation of the 2.82×10 6 kJ/h to 1.368×10 6 kJ/h. Mass efficiency also increased, with vinyl chloride yields rising by 118%, from 2572 kg/h to 3045 kg/h. In conclusion, these process modifications have succeeded in reducing energy consumption and increasing production significantly, making the process more efficient and energy friendly. Further research is suggested to optimize the use of waste heat. Copyright © 2024 by Authors, Published by Universitas Diponegoro and BCREC Publishing Group. This is an open access article under the CC BY-SA License ( https://creativecommons.org/licenses/by-sa/4.0 ). }, issn = {3032-7059}, pages = {222--228} doi = {10.9767/jcerp.20287}, url = {https://journal.bcrec.id/index.php/jcerp/article/view/20287} }
Refworks Citation Data :
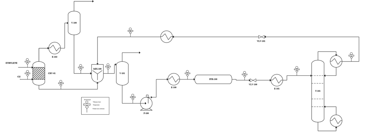
Vinyl chloride (VC) is a colorless stable gas produced through a complex process with many interactions in reaction and separation. This study aims to improve mass and energy efficiency in vinyl chloride production through process simulation with HYSYS V.11. The process was modified using a plugged flow reactor (PFR) with an Al2O3 catalyst and a simplified distillation column. The method involves recycling the liquid product from the distillation column back to the mixing unit as a feed. The results show that energy efficiency improves with the reduction of the reactor's heat flow requirement from 1.009×107 kJ/h, and to 4.689×106 kJ/h, and distillation of the 2.82×106 kJ/h to 1.368×106 kJ/h. Mass efficiency also increased, with vinyl chloride yields rising by 118%, from 2572 kg/h to 3045 kg/h. In conclusion, these process modifications have succeeded in reducing energy consumption and increasing production significantly, making the process more efficient and energy friendly. Further research is suggested to optimize the use of waste heat. Copyright © 2024 by Authors, Published by Universitas Diponegoro and BCREC Publishing Group. This is an open access article under the CC BY-SA License (https://creativecommons.org/licenses/by-sa/4.0).
Article Metrics:
Last update:
Authors who publish in the Journal of Chemical Engineering Research Progress (JCERP) retain full copyright ownership of their work. In keeping with the journal’s commitment to open access, all articles are published under the terms of the Creative Commons Attribution-ShareAlike 4.0 International License (CC BY-SA 4.0).
This license permits anyone to access, use, share, adapt, remix, transform, and build upon the work for any purpose, including commercial use, provided that appropriate credit is given to the original author or authors, a link to the license is provided, changes to the work (if any) are clearly indicated, and any derivative works are distributed under the same license.
Authors are encouraged to disseminate their work as widely as possible. They retain the right to reuse their published article in future scholarly works, such as books, conference presentations, or teaching materials. They may also deposit the final published version in institutional or subject-based repositories, and share it freely on personal websites, academic platforms, or professional networks. These rights are fully preserved under the CC BY-SA license, and all such uses must comply with its terms.
Readers and third parties may also use the content in accordance with the CC BY-SA license. This includes the ability to reproduce, modify, and build upon the article, even for commercial purposes, as long as proper attribution is given, and any resulting work is distributed under the same license.
License to Publish Agreement (Non-Exclusive License for Publishing Rights)
To enable publication and global dissemination of accepted manuscripts, the Journal of Chemical Engineering Research Progress is published by UPT Laboratorium Terpadu Universitas Diponegoro jointly with Masyarakat Katalis Indonesia - Indonesian Catalyst Society (MKICS) Publisher, and the technical management of the JCERP journal is supported by with BCREC Publishing Group, requires that authors grant the publisher a non-exclusive license to publish the work. This license authorizes the publisher to reproduce, distribute, and communicate the article to the public in all forms and media. The license to publish does not transfer copyright; authors remain the sole copyright holders.
This arrangement is formalized through a License to Publish Agreement, which the corresponding author must complete after the manuscript is accepted for publication. The agreement confirms that the author or authors grant the publisher the non-exclusive right to publish the article and to distribute it under the Creative Commons Attribution-ShareAlike 4.0 International License (CC BY-SA 4.0).
Authors retain all other rights to their work. They remain free to use and share their article in any manner consistent with the terms of the CC BY-SA license, including in future publications, educational settings, and commercial applications, provided proper attribution is given and the license is preserved.
After acceptance, the corresponding author will receive an email containing instructions for completing and electronically signing the License to Publish Agreement. The signed agreement must be returned to the Editorial Office in order to proceed with publication. The License to Publish Agreement form is available for download on the journal’s official website.
The non-exclusive Transfer Agreement for Publishing Right (CTAP) Form can be downloaded here: [Transfer Agreement for Publishing Right (CTAP) Form JCERP 2024]
The (non-exclusive) publishing right form should be signed electronically and send to the Editorial Office in the form of original e-mail below: Prof. Dr. I. Istadi (Editor-in-Chief)Editorial Office of Journal of Chemical Engineering Researc ProgressLaboratory of Plasma-Catalysis (R3.5), UPT Laboratorium Terpadu, Universitas DiponegoroJl. Prof. Soedarto, Semarang, Central Java, Indonesia 50275Telp/Whatsapp: +62-81-316426342E-mail: jcerp[at]live.undip.ac.id
(This policy statements has been updated at 25th March 2025)
View statistics
The Journal of Chemical Engineering Research Progress is published by UPT Laboratorium Terpadu Universitas Diponegoro jointly with Masyarakat Katalis Indonesia - Indonesian Catalyst Society (MKICS) Publisher. The technical management of the JCERP journal is supported by with BCREC Publishing Group.